
Experiment Transistor Circuit Design

Details About C3280 Transistor Stereo Power Amplifier Assemble Kit 200w

Overview Of Various Types Of Diodes And Their Applications


Precision Diode Opamp Half Wave Rectifier Ece Tutorials

Laser Diode Technology

Rp Photonics Encyclopedia Regenerative Amplifiers Optical

Details About 16a 600v 18 Nanoseconds High Speed Rectifier Bridge Circuit For Audio Amplifier

Log Amplifier Wikipedia

Tunnel Diode Tips Principle Of Operation And Detector

Stc Amplifiers

Class Ab Amplifier Design And Class Ab Biasing

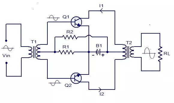
For A Push Pull Amplifier Could We Use A Different Diode

Freewheeling Diode Or Flyback Diode Circuit Working And Its

Transimpedance Amplifier Wikipedia

Zener Diode Tester Circuit
Comments
Post a Comment